Dal 1950 produciamo e distribuiamo valvole, raccordi e rubinetti in tutto il mondo
Contatti | Valbrass - Valvole, rubinetteria e raccordi industriali
Area riservata
Italiano
Italiano
English
CATEGORIE PRODOTTI
OTTONE
INOX
GHISA
GHISA
Raccordi in ghisa malleabile
Valvole industriali in ghisa
ACCESSORI PER CALDAIE
ACCESSORI
CHI SIAMO
CONTATTACI
Area riservata
Home
OTTONE
Collettori
Defangatori
Defangatore magnetico in polimero bianco
Defangatore magnetico in polimero nero
Defangatore magnetico tutto in OTTONE
Dosatore di Polifosfati e Neutralizzatori
Filtri
PN 10
PN 25
Galleggianti
Raccordi
Irrigazione
Raccorderia
Raccordi 3 pezzi
Raccordi cassone
Raccordi Girevoli
Raccordi per pompe
Raccordi portagomma
Raccordi Portagomma con OR
Riduttori di pressione
Riduttori di pressione
Riduttori in INOX
Rubinetti
Rubinetti artistici
Rubinetti bagno
Rubinetti portagomma
Valvole a saracinesca
Valvole a sfera
Serie extra pesante
Serie pesante
Serie standard
Valvole varie
Valvole di ritegno e fondo
Serie PN 16
Serie PN25
Serie PN40
INOX
Corrugato CSST con accessori
Filtri
Flessibili ed estensibili
Galleggianti
Manometri
Raccordi
Riduttori
Rubinetti
Valvole a sfera
Valvole a sfera 1 pezzo
Valvole a sfera 2 vie
Valvole a sfera 3 pezzi
Valvole a sfera 3 vie
Valvole Minisfera
Valvole di ritegno
GHISA
Raccordi in ghisa malleabile
Valvole industriali in ghisa
ACCESSORI CALDAIE
Defangatori
Estensibili ,Flessibili e Kit caldaia
Estensibili
Flessibili per allacciamento cucina
Kit caldaia
Filtri
Manometri
Pompe per impianti di riscaldamento
Riduttori di pressione
ACCESSORI
Dal 1950 produciamo e distribuiamo valvole, raccordi e rubinetti in tutto il mondo
Contattaci
Menu
Cerca
Accedi
Home
OTTONE
Valvole a sfera
Valvole varie
Altre valvole
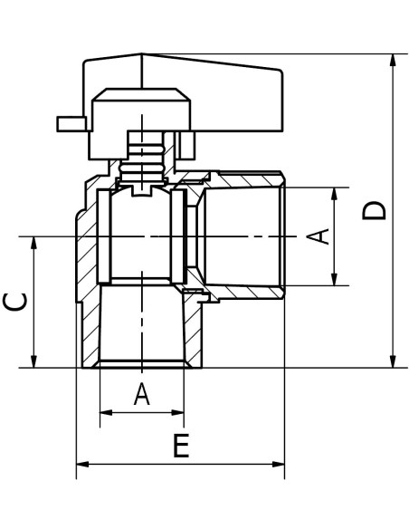
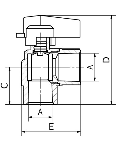
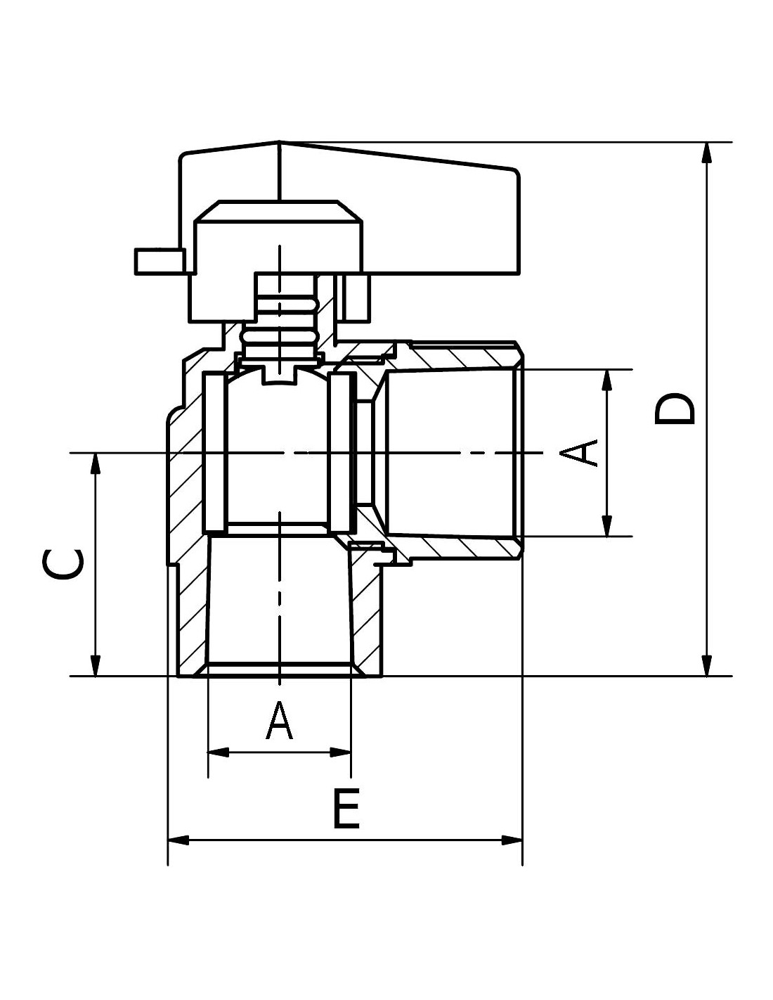
Art.259 Valvola a sfera M.F. a 90 °
Art.259 Valvola a sfera M.F. a 90 °
Art.259 Valvola a sfera M.F. a 90 °
Art.259 Valvola a sfera M.F. a 90 °
Riferimento
259
Codice
Misura
DN
W
C
D
E
F
gr
Inner
Master
259/01
1/2"
12
24.5
30
72.5
49
16
143
18
144
Tap to zoom
×