Art.465/S Valvola minisfera M.F. con maniglia cromata lucida
Art.465/S Valvola minisfera M.F. con maniglia cromata lucida
Art.465/S Valvola minisfera M.F. con maniglia...

Art.465/S Valvola minisfera M.F. con maniglia...

Art.465/S Valvola minisfera M.F. con maniglia...

Art.465/S Valvola minisfera M.F. con maniglia...

Art.465/S Valvola minisfera M.F. con maniglia cromata lucida

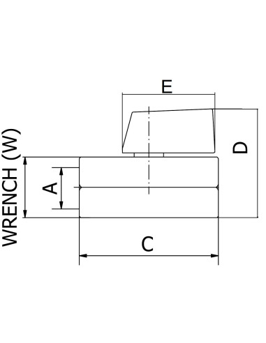
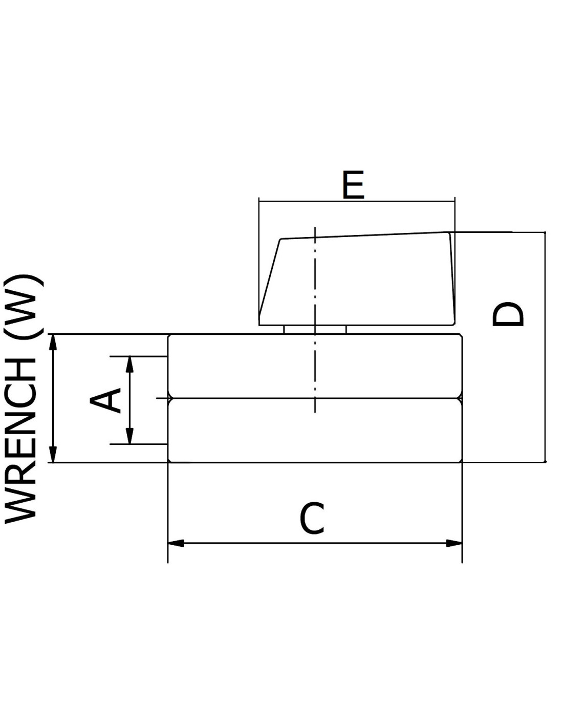
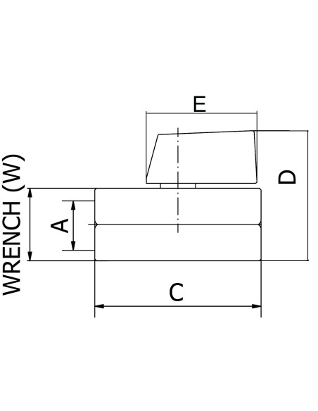
465/S
 

Valvola spazzolata lucida

Maniglia in Alluminio cromata lucida

Codice Misura F W C D gr Inner Master
465/S/01 3/8" 10 21 47 35 88 25 300
465/S/02 1/2" 12 25 46 40 128 18 216
465/S/03 1/4" 11 21 47 35 96 25 300

Ti potrebbe piacere anche